IPB Portal
Help
Search
Members
Calendar
Downloads
Gallery
Blogs
Search this forum only?
More Search Options
Welcome Guest
(
Log In
|
Register
)
稻草堆
>
资料库
>
电子技术
[电子电路]光敏三极管组成的光控电位器电路
Options
猫猫草
View Member Profile
Find Member's Posts
2008-03-17 10:57:29, Mon
Post
#1
猫猫猫
Group: Power Cat
Posts: 626
Joined: 2006-12-8
Member No.: 2
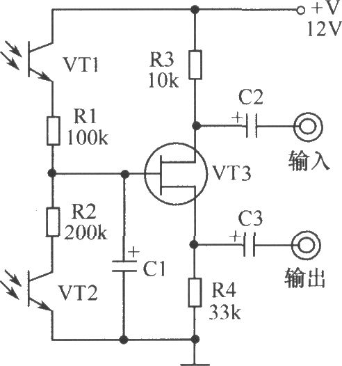
如图所示的光控电位器,使用激光笔做光源照射光敏管VT1,沟道电阻减小,音量提高;若照射VT2音量则降低,从 而实现了光控音量调节。该电位器每次开机时,VT3管的G极电位为0V,沟道电阻为最大值,音量也就被控制在最小。如图所示为一单声道,若需控制多个声 道,只需把场效应管G极并联起来即可。VT3选用3DJ6F或同类场效应管。VT1、VT2使用市售NPN型光敏管即可,C1、C2、C3选用6.3μF/25V钽电解电容。电阻选用1/8W金属膜电阻。
« Next Oldest
·
电子技术
·
Next Newest »
1 User(s) are reading this topic (1 Guests and 0 Anonymous Users)
0 Members:
Forum Home
Search
Help
资料库
|-- Linux
|---- 讨论区
|-- OpenBSD
|---- 讨论区
|-- 一般软件
|---- 讨论区
|-- 嵌入式系统及应用
|---- 讨论区
|-- 电子技术
|---- 讨论区
|-- 其它资料
*
|-- 留言板
|-- 信息发布
Display Mode:
Standard
·
Switch to: Linear+
·
Switch to: Outline
Track this topic
·
Email this topic
·
Print this topic
·
Subscribe to this forum
Lo-Fi Version
Time is now: 2025-10-31 00:10